SHW系列中空型液压 扭矩扳手
较大扭矩:38463Nm
六角对边尺寸范围:19-155mm
操作半径:29.6-117.6mm
较大工作压力:70MPa
特性:
● 一体成型动力头,采用超高强度轻金属,全面提高强度及寿命。
● 可360°X180°旋转油管接头,无使用空间限制。
● 高精度的中空液压 扳手,精度高达±3%。
● 实现了全自动控制,连续拆锁,速度是同类产品的两倍。
● 操作简便的中空 液压扳手,全自动控制,单人操作。
● 适用于拆锁螺栓上方较小空间的螺栓,一台扳手可拆锁多种规格的螺栓,一台泵可同时驱动多台扳手同时拆锁。
● 工作头全包容设计,安全可靠。
● 超轻、超薄、扭矩大,适应各种“高难度”空间。
可以设定扭矩值的液压扳手,也叫定扭矩 液压扳手。液压 扭矩 扳手一般用来紧固大六角高强螺栓,使用时,先把扭矩调到需要规定的扭矩,然后紧固螺栓。

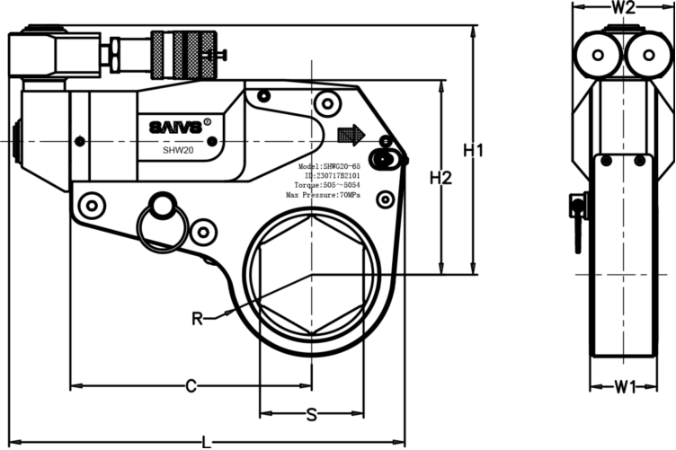
| 动力头型号 | 扭矩范围 | 螺母六角 对边范围 | 动力头重量 | 尺寸 | |||||||
| L | C | H1 | H2 | W1 | W2 | ||||||
| N.m | Ft.lbs | mm | kg | mm | |||||||
| SHWD10(2L) | 235-2349 | 173-1733 | 19-50 | 0.7 | 203 | 116 | 131 | 96 | 32 | 50 | |
| SHWD20(4L) | 505-5054 | 373-3728 | 34-75 | 1.7 | 249 | 151.5 | 160 | 124 | 42 | 64 | |
| SHWD30(7L) | 942-9423 | 695-6950 | 41-90 | 3.1 | 305 | 188.5 | 196 | 160 | 53 | 75 | |
| SHWD40(11L) | 1556-15565 | 1148-11481 | 65-115 | 4.3 | 332 | 234 | 242 | 191.5 | 64 | 87 | |
| SHWD50(16L) | 2196-21960 | 1620-16198 | 75-135 | 6 | 382 | 270 | 265 | 215 | 73 | 97 | |
| SHWD60(28L) | 3846-38463 | 2837-28370 | 80-155 | 10.6 | 449 | 317.5 | 305 | 255 | 85 | 120 | |