您当前的位置 : 首页 > 产品中心 > 螺栓紧固工具

驱动过渡板

驱动过渡板适用于对边尺寸为24-90毫米的螺母一起使用。驱动过渡板可通过两个螺栓轻松安装或拆卸。驱动过渡板上面装上电动或气动扭矩扳手,非常适合螺母周围或上方空间有限的地方应用。安全、快速、准确、灵活的反应臂,客户特定设计可选。该驱动装置可轻松应用于电动、电池驱动或气动扭矩扳手。偏移链接配件 偏置连杆为方形驱动工具提供延伸,使操作员能够拧紧难以或无法在有限的顶部间隙或附近有障碍物的情况下够到的螺栓。偏置连杆在螺栓突出螺母上方且标准套筒无法安装的情况下也能很好地发挥作用。偏置连杆提供可互换的套筒,使连杆能够在现场快速互换以适合不同尺寸的螺母。 偏置连杆将精确的扭矩从方形驱动工具传递到紧固件,以最大限度地减少操作员错误并提高安全性。低间隙...

产品概述

优化资料

相关文献

驱动过渡板适用于对边尺寸为24-90毫米的螺母一起使用。驱动过渡板可通过两个螺栓轻松安装或拆卸。

驱动过渡板上面装上电动或气动扭矩扳手,非常适合螺母周围或上方空间有限的地方应用。

安全、快速、准确、灵活的反应臂,客户特定设计可选。

该驱动装置可轻松应用于电动、电池驱动或气动扭矩扳手

偏移链接

配件

 偏置连杆为方形驱动工具提供延伸,使操作员能够拧紧难以或无法在有限的顶部间隙或附近有障碍物的情况下够到的螺栓。

偏置连杆在螺栓突出螺母上方且标准套筒无法安装的情况下也能很好地发挥作用。

偏置连杆提供可互换的套筒,使连杆能够在现场快速互换以适合不同尺寸的螺母。 

偏置连杆将精确的扭矩从方形驱动工具传递到紧固件,以最大限度地减少操作员错误并提高安全性。

低间隙通道

偏置连杆提供方便的低剖面延伸,使方形驱动工具能够接触到由于障碍物而难以接触的螺栓。

这些连杆本质上使方形驱动工具能够用作低间隙工具,从而无需额外的工具。

这种螺栓配置非常适合用突出的螺栓拧紧紧固件。

工具兼容性

偏置连杆与所有 HYTORC 液压、气动和电动扭矩工具兼容。偏置连杆有两种基本驱动类型,

与 ¾” 和 1” 方形驱动器兼容。每个套筒的扭矩倍增系数都标记清晰;只需将该系数乘以所需扭矩,然后在工具上设置扭矩,即可实现准确且可重复的螺栓操作。

互换性

偏移连杆提供可互换的筒式系统,允许用户在现场轻松更换筒式系统以适应各种六角尺寸。偏移连杆与 HYTORC 垫圈兼容,可消除弯曲和侧向载荷,同时提高所有螺栓操作的安全性和速度。





1-2412111H30VZ.webp

1-2412111G15B19.webp



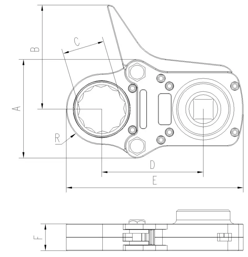
总成传动板型号方驱(in)半径R(mm)传动比传动板型号中心距D(mm)长度E(mm)宽度A(mm)高度F(mm)反力臂B(mm)对边C(mm)传动头型号
STDM75-243/4”301.46STM75123.52051073213724SDM75-24
STDM75-323/4”301.46123.52051073213732SDM75-32
STDM75-343/4”321.31272111073213734SDM75-34
STDM75-363/4”321.31272111073213736SDM75-36
STDM75-423/4”34.51.21292151073213741SDM75-42
STDM75-463/4”37.51.121312201073213746SDM75-46
STDM75-503/4”40.51.051342261073213750SDM75-50
STDM75-553/4”44.50.99138.52351073213755SDM75-55
STDM75-603/4”47.50.9141.52411073213760SDM75-60
STDM75-653/4”500.86144245.51073213765SDM75-65
STDM100-461”451.52STM10018730216542.520346SDM100-46
STDM100-501”451.5218730216542.520350SDM100-50
STDM100-551”46.51.39188.530516542.520355SDM100-55
STDM100-601”481.3319030816542.520360SDM100-60
STDM100-651”531.2219531816542.520365SDM100-65
STDM100-701”561.15196.532216542.520370SDM100-70
STDM100-751”57.51.1199.532716542.520375SDM100-75
STDM100-801”591.0620133016542.520380SDM100-80
STDM100-851”65.50.97207.534316542.520385SDM100-85
STDM100-901”730.9321235517342.520390SDM100-90
本文网址:/product/901.html

发信息给我们


在此写下您的信息并发送给我们