型号:MRT1-MRT7
称重传感器:手动返回
活塞行程:15mm(MRT1-10mm)
最大工具压力:1500 bar (21750 psi)
螺栓突出螺母上方的长度:1 x 螺栓直径
工具负载:280-3200 kN
螺栓公制:M24 - M100
液压面积:1867-21339 mm²
制造商: SAIVS
原产国:中国
最低订购量:1 件
更换 SPX 的 MRT 螺栓拉伸器

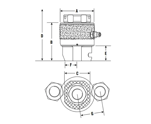
| (参考编号)称重传感器订单编号 | 公制 | 适配器套件订单号 | 帝国 | 适配器套件订单号 | 工具负载 kN | 工具负载(磅力) | 液压面积 mm² | 液压面积 in² | 约重 kg | 约重磅 | 外螺栓(mm) | 外螺栓(英寸) | 螺栓尺寸(mm) | 螺栓数量(in) | 高度(毫米) | A(英寸) | 宽度(毫米) | 垃圾桶) | 厚度(毫米) | 尺寸(英寸) | 外径螺栓(mm) | D Imp螺栓(英寸) | 螺栓直径(mm) | D 型螺栓(英寸) | 外径(毫米) | E(英寸) | 口径(毫米) | F(英寸) | G 螺栓直径(mm) | G Imp 螺栓(英寸) | 螺栓G(mm) | G 螺栓(英寸) | 公制 | 帝国 | (工具参考)称重传感器订单号 |
| (MRT1)* MRTAS010001 | M24 | MRTAS010004 | 1" | MRTAS010002 | 280 | 62,900 | 1,867 | 2.894 | 3 | 6.6 | 25 | 0.98 | 24 | 0.94 | 85 | 3.35 | 97 | 3.8 | 68 | 2.7 | 166.8 | 6.6 | 155.4 | 6.1 | 38 | 1.5 | 28 | 1.1 | 59 | 23 | 56 | 2.2 | M24 | 1" | (MRT1)* MRTAS010001 |
| M27 | MRTAS010005 | / | / | / | / | 27 | 1.06 | 97 | u | 68 | 2.7 | / | / | 158.4 | 6.2 | 38 | 1.5 | 28 | 1.1 | / | / | 59 | 2.3 | M27 | / | ||||||||||
| / | / | 1-1/8" | MRTAS010003 | 29 | 1.14 | / | / | 100 | 3.9 | 76 | 3 | 173.2 | 6.8 | / | / | 41 | 1.6 | 31 | 1.2 | 66 | 2.6 | 44 | / | / | 1-1/8" | ||||||||||
| (MRT2)* MRTAS020001 | M24 | MRTAS020006 | 1" | MRTAS020002 | 450 | 101,100 | 3,001 | 4.652 | 4.5 | 9.9 | 25 | 0.98 | 24 | 0.94 | 108 | 4.25 | 102.5 | 4 | 75 | 3 | 181.8 | 7.2 | 180.4 | 7 | 38 | 1.5 | 30 | 1.2 | 68 | 2.7 | 67 | 2.6 | M24 | 1" | (MRT2)* MRTAS020001 |
| M27 | MRTAS020007 | / | / | / | / | 27 | 1.06 | 102.5 | 4 | 75 | 3 | / | / | 183.4 | 7.2 | 38 | 1.5 | 30 | 1.2 | / | / | 69 | 2.7 | M27 | / | ||||||||||
| M30 | MRTAS020008 | 1-1/8" | MRTAS020003 | 29 | 1.14 | 30 | 1.18 | 105.5 | 4.2 | 80 | 3.1 | 188.2 | 7.4 | 189.6 | 7.5 | 41 | 1.6 | 30 | 1.2 | 69 | 2.7 | 70 | 2.8 | M30 | 1-1/8" | ||||||||||
| M33 | MRTAS020009 | 1-1/4" | MRTAS020004 | 32 | 1.26 | 33 | 1.30 | 108.5 | 4.3 | 84 | 3.3 | 194.5 | 7.7 | 195.8 | 7.7 | 44 | 1.7 | 35 | 1.4 | 72 | 2.8 | 72 | 2.8 | M33 | 1-1/4" | ||||||||||
| M36 | MRTAS020010 | 1-3/8" | MRTAS020005 | 35 | 1.38 | 36 | 1.42 | 111.5 | 4.4 | 89 | 3.5 | 200.9 | 79 | 201.9 | 7.9 | 47 | 1.9 | 38 | 1.5 | 78 | 3.1 | 77 | 3 | M36 | 1-3/8" | ||||||||||
| (MRT3)* MRTAS030001 | M33 | MRTAS030006 | 1-1/4" | MRTAS030002 | 660 | 148,300 | 4,401 | 6.822 | 5.9 | 12.98 | 32 | 1.26 | 33 | 1.30 | 147.5 | 4.9 | 108.5 | 4.3 | 88 | 3.5 | 196.5 | 7.7 | 197.8 | 7.8 | 44 | 1.7 | 35 | 1.4 | 79 | 3.1 | 80 | 3.1 | M33 | 1-1/4" | (MRT3)* MRTAS030001 |
| M36 | MRTAS030007 | 1-3/8" | MRTAS030003 | 35 | 1.38 | 36 | 1.42 | 111.5 | 4.4 | 96 | 3.8 | 203 | 8 | 204 | 8 | 47 | 1.9 | 38 | 1.5 | 81 | 3.2 | 81 | 3.2 | M36 | 1-3/8" | ||||||||||
| M39 | MRTAS030008 | 1-1/2" | MRTAS030004 | 38 | 1.50 | 39 | 1.54 | 115 | 4.5 | 96 | 3.8 | 209.2 | 8.2 | 210.1 | 8.3 | 50.5 | 2 | 42 | 1.7 | 84 | 3.3 | 84 | 3.3 | M39 | 1-1/2" | ||||||||||
| M42 | MRTAS030009 | 1-5/8" | MRTAS030005 | 41 | 1.61 | 42 | 1.65 | 118 | 4.6 | 105 | 4.1 | 215.6 | 8.5 | 216.3 | 8.5 | 53.5 | 2.1 | 41 | 1.6 | 91 | 3.6 | 91 | 3.6 | M42 | 1-5/8" | ||||||||||
| (MRT4)* MRTAS040001 | M39 | MRTAS040008 | 1-1/4" | MRTAS040003 | 1,000 | 224,700 | 6,668 | 10.335 | 8.5 | 18.7 | 32 | 1.26 | 39 | 1.54 | 147.5 | 5.8 | 116 | 4.6 | 112 | 4.4 | 215.2 | 8.5 | 216.1 | 8.5 | 50.5 | 2 | 42 | 1.7 | 94 | 3.7 | 94 | 3.7 | M39 | 1-1/4" | (MRT4)* MRTAS040001 |
| M42 | MRTAS040009 | 1-5/8" | MRTAS040004 | 41 | 1.61 | 42 | 1.65 | 119 | 4.7 | 114 | 4.5 | 222 | 8.7 | 222 | 8.7 | 53.5 | 2.1 | 45 | 1.8 | 96 | 3.8 | 96 | 3.8 | M42 | 1-5/8" | ||||||||||
| M45 | MRTAS040010 | 1-3/4" | MRTAS040005 | 44 | 1.73 | 45 | 1.77 | 122.5 | 4.8 | 118 | 4.6 | 227.9 | 9 | 228.5 | 9 | 57 | 2.2 | 52 | 2 | 100 | 3.9 | 100 | 3.9 | M45 | 1-3/4" | ||||||||||
| M48 | MRTAS040011 | 1-7/8" | MRTAS040006 | 48 | 1.89 | 48 | 1.89 | 125.5 | 4.9 | 114 | 4.5 | 234.3 | 9.2 | 234.6 | 9.2 | 60 | 2.4 | 51 | 2 | 101 | 4 | 10 | 4 | M48 | 1-7/8" | ||||||||||
| / | / | 2" | MRTAS040007 | 51 | 2.01 | / | / | 128.5 | 5.1 | 120 | 4.7 | 241 | 9.5 | / | / | 63 | 2.5 | 52 | 2 | 107 | 4.2 | / | / | / | 2" | ||||||||||
| (MRT5)* MRTAS050001 | M52 | MRTAS050007 | 2" | MRTAS050003 | 1,500 | 337,200 | 10,003 | 15.505 | 14 | 30.8 | 51 | 2.01 | 52 | 2.05 | 180.5 | 7.1 | 132 | 5.2 | 120 | 4.7 | 250.6 | 9.9 | 251.8 | 9.9 | 63 | 2.5 | 52 | 2 | 117 | 4.6 | 117 | 4.6 | M52 | 2" | (MRT5)* MRTAS050001 |
| M56 | MRTAS050008 | 2-1/4" | MRTAS050004 | 57 | 2.24 | 56 | 2.20 | 138.5 | 55 | 138 | 5.4 | 263.3 | 10.4 | 262.2 | 10.3 | 69.5 | 2.7 | 58 | 9 | 121 | 4.8 | 119 | 4.7 | M56 | 2-1/4" | ||||||||||
| M60 | MRTAS050009 | / | / | / | / | 60 | 236 | 138.5 | 5.5 | 138 | 5.4 | / | / | 266 | 10.5 | 69.5 | 2.7 | 58 | 2.3 | / | / | 122 | 4.8 | M60 | / | ||||||||||
| M64 | MRTAS050010 | 2-1/2" | MRTAS050005 | 64 | 2.52 | 64 | 2.52 | 145 | 5.7 | 153 | 6 | 276 | 10.9 | 276.5 | 10.9 | 76 | 3 | 63 | 2.5 | 134 | 5.3 | 132 | 5.2 | M64 | 2-1/2" | ||||||||||
| M68 | MRTAS050011 | / | / | / | / | 68 | 2.68 | 145 | 5.7 | 153 | 6 | / | / | 280.5 | 11 | 76 | 3 | 63 | 2.5 | / | / | 135 | 5.3 | M68 | / | ||||||||||
| M70 | MRTAS050012 | / | / | / | / | 70 | 2.76 | 145 | 5.7 | 153 | 6 | / | / | 282.5 | 11.1 | 76 | 3 | 63 | 2.5 | / | / | 135 | 5.3 | M70 | / | ||||||||||
| 2-3/4" | MRTAS050006 | 70 | 2.76 | / | / | 150 | 5.9 | 156 | 6.1 | 289 | 11.4 | / | / | 81 | 3.2 | 70 | 2.8 | 141 | 5.6 | / | / | / | 2-3/4 | ||||||||||||
| (MRT6)* MRTAS060001 | M72 | MRTAS060007 | 2-3/4" | MRTAS060003 | 2,500 | 562,000 | 16,671 | 25.84 | 23 | 50.6 | 51 | 2.01 | 72 | 2.83 | 227 | 8.9 | 151 | 5.9 | 157 | 6.2 | 298.7 | 11.8 | 300.9 | 11.8 | 82 | 3.2 | 72 | 2.8 | 149 | 5.9 | 151 | 5.9 | M72 | 2-3/4" | (MRT6)* MRTAS060001 |
| M76 | MRTAS060008 | 3" | MRTAS060004 | 76 | 2.99 | 76 | 2.99 | 158 | 6.2 | 182 | 7.2 | 311.4 | 123 | 311.2 | 12.3 | 89 | 3.5 | 80 | 3.1 | 160 | 6.3 | 156 | 6.1 | M76 | 3" | ||||||||||
| M80 | MRTAS060009 | / | / | / | / | 80 | 3.15 | 158 | 6.2 | 182 | 7.2 | / | / | 315.2 | 124 | 89 | 3.5 | 80 | 3.1 | 158 | 6.2 | M80 | / | ||||||||||||
| M85 | MRTAS060010 | 3-1/4" | MRTAS060005 | 83 | 3.27 | 85 | 3.35 | 164 | 6.5 | 190 | 7.5 | 324.1 | 12.8 | 326.6 | 12.9 | 95 | 3.7 | 84 | 3.3 | 169 | 6.7 | 165 | 6.5 | M85 | 3-1/4" | ||||||||||
| M90 | MRTAS060011 | 3-1/2" | MRTAS060006 | 89 | 3.50 | 90 | 3.54 | 170 | 6.7 | 205 | 8.1 | 336.8 | 13.3 | 337.9 | 13.3 | 101 | 4 | 88 | 3.5 | 182 | 72 | 179 | 7 | M90 | 3-1/2" | ||||||||||
| (MRT7)* MRTAS070001 | M90 | MRTAS070006 | 3-1/2" | MRTAS070003 | 3,200 | 719,300 | 21,339 | 33 | 32 | 70.4 | 89 | 3.50 | 90 | 3.54 | 252 | 10 | 173 | 6.8 | 200 | 7.9 | 346 | 13.6 | 347 | 13.7 | 101 | 4 | 88 | 3.5 | 180 | 7.1 | 176 | 6.9 | M90 | 3-1/2" | (MRT7)* MRTAS070001 |
| M95 | MRTAS070007 | / | / | / | / | 95 | 3.74 | 6.8 | 0 | 7.9 | 173 | / | 200 | 13.9 | / | 101 | 351.9 | 88 | 3.5 | / | / | 179 | 7 | M95 | / | ||||||||||
| M100 | MRTAS070008 | 3-3/4” | MRTAS070004 | 95 | 3.74 | 100 | 3.94 | 7 | 0 | 8 | 179 | 14.1 | 200 | 14.3 | 358.5 | 107 | 363.3 | 94 | 3.7 | 185 | 73 | 185 | 73 | M100 | 3-3/4” | ||||||||||
| / | / | 4” | MRTAS070005 | 102 | 4.02 | / | / | 73 | 0 | 8.3 | 186 | 14.6 | 210 | / | 371.2 | 114 | / | 114 | 4.5 | 190 | 7.5 | / | / | / | 4” |
产品线:工业工具
可按特殊要求定制
活塞过冲程预防:防止过冲程和密封破裂,确保设备的安全性和使用寿命。
活塞行程指示:可以准确监控活塞运动。
兼容性:设计为与 MRT 张紧器系列兼容。
快速释放桥梁适配:具有独特的快速释放机制,可实现高效操作。
错位补偿:补偿活塞/气缸错位,提高可靠性。
符合标准:适合 BS1560、ANSI B16.5 和 API 法兰。
封闭式称重传感器设计:全封闭设计可防止碎片进入活塞回缩机构。
双液压联轴器:允许多种工具连接,提高多功能性。
突出螺柱要求:螺柱必须突出螺母上方 1 倍螺栓直径。
特定应用的工具:针对特定应用可提供定制工具(详情请联系工厂)。
弹簧返回设计的优点:
提高生产力:与旧式手动回位张紧器相比,弹簧回位设计提高了效率。
增强安全性:降低操作员受伤和设备损坏的风险。