型号:SSE-352-2/SSP-352-2/SSM-352-2
驱动方式:电动/气动/METABO 马达
电机功率:1800W/1HP/2400W
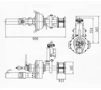
工作范围(内径):150-330mm(5.9-13英寸)
壁厚:小于75mm
转速:14r/min
净重:60KG
毛重:90KG
包装尺寸:95*55*43cm
款式: 手持式
布局:垂直
原产国:中国
产品线:工业工具
可按特殊要求定制
冷斜切:不会影响管道材料。
易于设置和操作:斜角可调(0-40度)。
自动进料:效率高。
自动定心:确保高精度。
厚壁管专用:适用于厚度小于75毫米的管道。
工作方向不受限制:适用于小工作半径。
棘轮手柄:使工具的进给和缩回变得容易。
轻巧紧凑的设计:易于携带。
驱动选项:可选电动或气动。
姓名 单元 数量
机器 放 1
扩展块 放 5
类型工具
件 3
内六角扳手 件 2
六角扳手 件 2
说明书 件 1

| 模型 | SSE-352-2 | SSP-352-2 | SSM-352-2 |
| 驱动 | 电的 | 气动 | 电动(METABO 电机) |
| 电源 | 220-240V 单相 50/60Hz | 2000升/分钟@1.0MPa | 220-240V 单相 50/60Hz |
| 电机功率 | 1800瓦 | 1 马力 | 2400瓦 |
| 工作范围(ID) | 150-330毫米 | 150-330毫米 | 150-330毫米 |
| 壁厚 | 小于75mm | 小于75mm | 小于75mm |
| 旋转速度 | 14转/分 | 14转/分 | 14转/分 |
| 净重 | 60公斤 | 60公斤 | 60公斤 |
| 毛重 | 90公斤 | 90公斤 | 90公斤 |
| 包装尺寸 | 95*55*43厘米 | 95*55*43厘米 | 95*55*43厘米 |
| 管道坡口机 II 型 | |||
|---|---|---|---|
| 模型 | 工作范围(ID) | 壁厚 | 旋转速度 |
| SSE-252-2 | 80-240毫米 | ≤75毫米 | 16转/分 |
| SSE-352-2 | 150-330毫米 | ≤75毫米 | 14转/分 |
| SSE-426-2 | 250-426毫米 | ≤75毫米 | 12转/分 |
| SSE-630-2 | 300-600毫米 | ≤75毫米 | 10转/分 |
| SSE-850-2 | 600-820毫米 | ≤75毫米 | 9转/分 |