您当前的位置 : 首页 > 产品中心 > 液压顶升工具

P84 双速液压钢手动泵,双作用缸

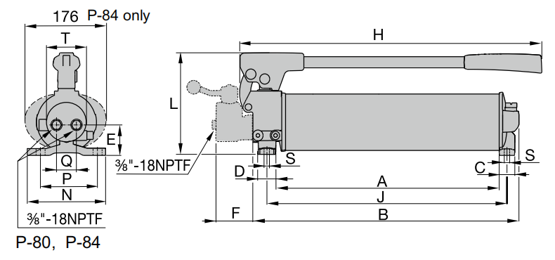
型号:P84泵类型:双速与气缸配合使用:双作用气缸可用油容量:2200cm³最大工作压力: 700 bar第一级额定压力:25bar/348.1 psi第二级额定压力:700bar/10000 psi第一级每冲程排油量 (cm³)16.22第二级每冲程排油量 (cm³)2.46重量:13.2公斤最小订购量:1件制造商:SAIVS原产国:中国品牌名称:替代 Enerpac 的 P84

产品概述

优化资料

相关文献

型号:P84

泵类型:双速

与气缸配合使用:双作用气缸

可用油容量:2200cm³

最大工作压力: 700 bar

第一级额定压力:25bar/348.1 psi

第二级额定压力:700bar/10000 psi

第一级每冲程排油量 (cm³)16.22

第二级每冲程排油量 (cm³)2.46

重量:13.2公斤

最小订购量:1件

制造商:SAIVS

原产国:中国

品牌名称:替代 Enerpac 的 P84

1-240522133FV58.png


本文网址:/product/6358.html

发信息给我们


在此写下您的信息并发送给我们